Закладные изделия по серии 1.400-15 МН 155
Компания "Метиз-Торг" предлагает Вам купить закладное изделие МН 155 по цене производителя. Закладные детали являются унифицированными железобетонными конструкциями, предназначенными для крепления технологических коммуникаций и устройств на вертикальных частях бетонных сооружений. Производим закладные изделия в соответствии с нормативно-технической документацией на изделия. Учитываем пожелания заказчика при заказе в выборе марки стали, покрытия, маркировки. Производство осуществляется из арматурных стержней и листового и профильного прокатов. Закладные изделия бывают с перпендикулярным, наклонным, параллельным или смешанным расположением анкерных стержней.
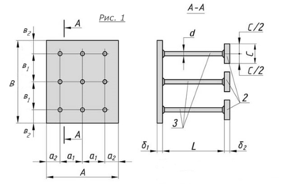
Характеристики:
| Параметр | Обозначение | Значение марки
МН 155-1 |
Значение марки МН 155-2 |
Значение марки МН 155-3 |
Значение марки МН 155-4 |
Значение марки МН 155-5 |
Значение марки МН 155-6 |
| Размер пластины, мм | А | 300 | 300 | 300 | 300 | 300 | 300 |
| Размер пластины, мм | В | 500 | 500 | 500 | 500 | 500 | 500 |
| Размер пластины, мм | б | 12 | 12 | 12 | 12 | 12 | 12 |
| Привязки анкеров, мм | а1 | 110 | 110 | 110 | 110 | 110 | 110 |
| Привязки анкеров, мм | а2 | 40 | 40 | 40 | 40 | 40 | 40 |
| Привязки анкеров, мм | в1 | 210 | 210 | 210 | 210 | 210 | 210 |
| Привязки анкеров, мм | в2 | 40 | 40 | 40 | 40 | 40 | 40 |
| Количество и диаметр анкеров | 9ф16AIII | 9ф16AIII | 9ф16AIII | 9ф16AIII | 9ф16AIII | 9ф16AIII | |
| Длина анкеров, мм | L | 620 | 460 | 370 | 620 | 460 | 210 |
|
Выборка стали на 1 изделие (профильная сталь), кг |
-б=12 | 14.1 | 14.1 | 14.1 | 17.2 | 17.2 | 17.2 |
|
Размеры пластин усиления и кол-во, мм |
60х60х12 (шт.9) | 60х60х12 (шт.9) | 60х60х12 (шт.9) | ||||
|
Выборка стали на 1 изделие (арм. AIII ф16), кг |
8.8 | 6.6 | 5.3 | 8.8 | 6.6 | 3.0 | |
|
Рисунок на чертеже |
1 | 1 | 1 | 1 | 1 | 1 | |
| Итого, кг | 22.9 | 20.7 | 19.4 | 26.0 | 23.8 | 20.2 | |
| Обозначение изделия | 1.400-15.B1.170-18 | 1.400-15.B1.170-19 | 1.400-15.B1.170-20 | 1.400-15.B1.170-21 | 1.400-15.B1.170-22 | 1.400-15.B1.170-23 |

Мы гарантируем:
- Качество продукции
- Исполнение в срок
- Соответствие ГОСТ
- Изготовление любого нужного количества
- Работу с любым городом, районом, областью России
|
|
Бесплатная доставка по Тюмени При заказе продукции от 4,5 тонн доставка бесплатная и по Тюменской области. Также мы бесплатно доставляем продукцию до любой транспортной компании. |
|
Вся продукция сопровождается сертификатами на металл и техническим паспортом на изделия. |
Мы - производители, поэтому можем обеспечить нашим клиентам самые низкие цены.
Мы используем современное оборудование, позволяющее нам исполнять самые нестандартные заказы. Мы не боимся изготовления сложных изделий, и всегда производим нужное количество в нужные сроки. Наша команда профессионалов справится с заданием любой сложности!
