Закладные изделия по серии 1.400-15 МН 163
Компания "Метиз-Торг" предлагает Вам купить закладное изделие МН 163 по цене производителя. Закладные детали являются унифицированными железобетонными конструкциями, предназначенными для крепления технологических коммуникаций и устройств на вертикальных частях бетонных сооружений. Производим закладные изделия в соответствии с нормативно-технической документацией на изделия. Учитываем пожелания заказчика при заказе в выборе марки стали, покрытия, маркировки. Производство осуществляется из арматурных стержней и листового и профильного прокатов. Закладные изделия бывают с перпендикулярным, наклонным, параллельным или смешанным расположением анкерных стержней.
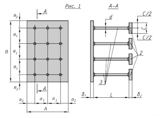
Характеристики:
| Параметр | Обозначение | Значение марки
МН 163-1 |
Значение марки МН 163-2 |
Значение марки МН 163-3 |
Значение марки МН 163-4 |
Значение марки МН 163-5 |
Значение марки МН 163-6 |
| Размер пластины, мм | А | 400 | 400 | 400 | 400 | 400 | 400 |
| Размер пластины, мм | В | 600 | 600 | 600 | 600 | 600 | 600 |
| Размер пластины, мм | б | 8 | 8 | 8 | 8 | 8 | 8 |
| Привязки анкеров, мм | а1 | 160 | 160 | 160 | 160 | 160 | 160 |
| Привязки анкеров, мм | а2 | 40 | 40 | 40 | 40 | 40 | 40 |
| Привязки анкеров, мм | в1 | 170 | 170 | 170 | 170 | 170 | 170 |
| Привязки анкеров, мм | в2 | 45 | 45 | 45 | 45 | 45 | 45 |
| Количество и диаметр анкеров | 12ф12AIII | 12ф12AIII | 12ф12AIII | 12ф12AIII | 12ф12AIII | 12ф12AIII | |
| Длина анкеров, мм | L | 470 | 370 | 270 | 470 | 370 | 170 |
|
Выборка стали на 1 изделие (профильная сталь), кг |
-б=8 | 15.1 | 15.1 | 15.1 | 15.1 | 15.1 | 15.1 |
|
Размеры пластин усиления и кол-во, мм |
50х50х10 (шт.12) | 50х50х12 (шт.12) | 50х50х12 (шт.12) | ||||
|
Выборка стали на 1 изделие (арм. AIII ф12), кг |
5.0 | 4.0 | 2.9 | 5.0 | 4.0 | 1.8 | |
|
Рисунок на чертеже |
1 | 1 | 1 | 1 | 1 | 1 | |
| Итого, кг | 20.1 | 19.1 | 18.0 | 22.5 | 21.5 | 19.3 | |
| Обозначение изделия | 1.400-15.B1.190 | 1.400-15.B1.190-01 | 1.400-15.B1.190-02 | 1.400-15.B1.190-03 | 1.400-15.B1.190-04 | 1.400-15.B1.190-05 |

Мы гарантируем:
- Качество продукции
- Исполнение в срок
- Соответствие ГОСТ
- Изготовление любого нужного количества
- Работу с любым городом, районом, областью России
|
|
Бесплатная доставка по Тюмени При заказе продукции от 4,5 тонн доставка бесплатная и по Тюменской области. Также мы бесплатно доставляем продукцию до любой транспортной компании. |
|
Вся продукция сопровождается сертификатами на металл и техническим паспортом на изделия. |
Мы - производители, поэтому можем обеспечить нашим клиентам самые низкие цены.
Мы используем современное оборудование, позволяющее нам исполнять самые нестандартные заказы. Мы не боимся изготовления сложных изделий, и всегда производим нужное количество в нужные сроки. Наша команда профессионалов справится с заданием любой сложности!
