Закладные изделия по серии 1.400-15 МН 207
Компания "Метиз-Торг" предлагает Вам купить закладное изделие МН 207 по цене производителя. Закладные детали являются унифицированными железобетонными конструкциями, предназначенными для крепления технологических коммуникаций и устройств на вертикальных частях бетонных сооружений. Производим закладные изделия в соответствии с нормативно-технической документацией на изделия. Учитываем пожелания заказчика при заказе в выборе марки стали, покрытия, маркировки. Производство осуществляется из арматурных стержней и листового и профильного прокатов. Закладные изделия бывают с перпендикулярным, наклонным, параллельным или смешанным расположением анкерных стержней.
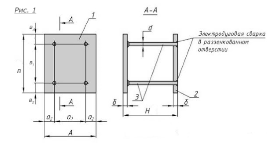
Характеристики:
| Параметр | Обозначение | Значение марки
МН 207-1 |
Значение марки МН 207-2 |
Значение марки МН 207-3 |
Значение марки МН 207-4 |
Значение марки МН 207-5 |
| Размер пластины, мм | А | 250 | 250 | 250 | 250 | 250 |
| Размер пластины, мм | В | 250 | 250 | 250 | 250 | 250 |
| Размер пластины, мм | б | 8 | 8 | 8 | 8 | 8 |
| Привязки анкеров, мм | а1 | 180 | 180 | 180 | 180 | 180 |
| Привязки анкеров, мм | а2 | 35 | 35 | 35 | 35 | 35 |
| Привязки анкеров, мм | в1 | 180 | 180 | 180 | 180 | 180 |
| Привязки анкеров, мм | в2 | 35 | 35 | 35 | 35 | 35 |
| Количество и диаметр анкеров | 4ф10AIII | 4ф10AIII | 4ф10AIII | 4ф10AIII | 4ф10AIII | |
| Размер, мм | H | 150 | 200 | 250 | 300 | 400 |
|
Выборка стали на 1 изделие (профильная сталь), кг |
-б=8 | 7.8 | 7.8 | 7.8 | 7.8 | 7.8 |
|
Выборка стали на 1 изделие (арм. AIII ф10), кг |
0.4 | 0.5 | 0.6 | 0.7 | 1.0 | |
|
Рисунок на чертеже |
1 | 1 | 1 | 1 | 1 | |
| Итого, кг | 8.2 | 8.3 | 8.4 | 8.5 | 8.8 | |
| Обозначение изделия | 1.400-15.B1.210-30 | 1.400-15.B1.210-31 | 1.400-15.B1.210-32 | 1.400-15.B1.210-33 | 1.400-15.B1.210-34 |

Мы гарантируем:
- Качество продукции
- Исполнение в срок
- Соответствие ГОСТ
- Изготовление любого нужного количества
- Работу с любым городом, районом, областью России
|
|
Бесплатная доставка по Тюмени При заказе продукции от 4,5 тонн доставка бесплатная и по Тюменской области. Также мы бесплатно доставляем продукцию до любой транспортной компании. |
|
Вся продукция сопровождается сертификатами на металл и техническим паспортом на изделия. |
Мы - производители, поэтому можем обеспечить нашим клиентам самые низкие цены.
Мы используем современное оборудование, позволяющее нам исполнять самые нестандартные заказы. Мы не боимся изготовления сложных изделий, и всегда производим нужное количество в нужные сроки. Наша команда профессионалов справится с заданием любой сложности!
