Закладные изделия по серии 1.400-15 МН 314
Компания "Метиз-Торг" предлагает Вам купить закладное изделие МН 314 по цене производителя. Закладные детали являются унифицированными железобетонными конструкциями, предназначенными для крепления технологических коммуникаций и устройств на вертикальных частях бетонных сооружений. Производим закладные изделия в соответствии с нормативно-технической документацией на изделия. Учитываем пожелания заказчика при заказе в выборе марки стали, покрытия, маркировки. Производство осуществляется из арматурных стержней и листового и профильного прокатов. Закладные изделия бывают с перпендикулярным, наклонным, параллельным или смешанным расположением анкерных стержней.
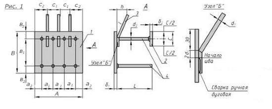
Характеристики:
| Параметр | Обозначение | Значение марки
МН 314-1 |
Значение марки МН 314-2 |
Значение марки МН 314-3 |
| Размер пластины, мм | А | 400 | 400 | 400 |
| Размер пластины, мм | В | 250 | 250 | 250 |
| Размер пластины, мм | б | 8 | 8 | 8 |
| Привязки анкеров, мм | а1 | 110 | 110 | 110 |
| Привязки анкеров, мм | а2 | 35 | 35 | 35 |
| Привязки анкеров, мм | в1 | 180 | 180 | 180 |
| Привязки анкеров, мм | в2 | 35 | 35 | 35 |
| Привязки анкеров, мм | с1 | 130 | 130 | 130 |
| Привязки анкеров, мм | с2 | 70 | 70 | 70 |
| Количество и диаметр гнутых анкеров | 3ф12AIII | 3ф12AIII | 3ф12AIII | |
| Длина гнутых анкеров, мм | l | 480 | 480 | 480 |
| Длина гнутых анкеров, мм | h | 120 | 170 | 170 |
| Количество и диаметр прямых анкеров | 8ф10AIII | 8ф10AIII | 8ф10AIII | |
| Длина прямых анкеров, мм | L | 120 | 170 | 220 |
| Размеры пластин усиления
и кол-во, мм |
40х40х8 (шт.4) | 40х40х8 (шт.4) | 40х40х8 (шт.4) | |
|
Выборка стали на 1 изделие (профильная сталь), кг |
-б=8 | 6.7 | 6.7 | 6.7 |
|
Выборка стали на 1 изделие (арм. AIII ф10), кг |
0.6 | 0.9 | 1.1 | |
|
Выборка стали на 1 изделие (арм. AIII ф12), кг |
1.6 | 1.6 | 1.6 | |
|
Рисунок на чертеже |
1 | 1 | 1 | |
| Итого, кг | 8.9 | 9.2/td> | 9.4 | |
| Обозначение изделия | 1.400-15.B1.340 | 1.400-15.B1.340-01 | 1.400-15.B1.340-02 |

Мы гарантируем:
- Качество продукции
- Исполнение в срок
- Соответствие ГОСТ
- Изготовление любого нужного количества
- Работу с любым городом, районом, областью России
|
|
Бесплатная доставка по Тюмени При заказе продукции от 4,5 тонн доставка бесплатная и по Тюменской области. Также мы бесплатно доставляем продукцию до любой транспортной компании. |
|
Вся продукция сопровождается сертификатами на металл и техническим паспортом на изделия. |
Мы - производители, поэтому можем обеспечить нашим клиентам самые низкие цены.
Мы используем современное оборудование, позволяющее нам исполнять самые нестандартные заказы. Мы не боимся изготовления сложных изделий, и всегда производим нужное количество в нужные сроки. Наша команда профессионалов справится с заданием любой сложности!
