Закладные изделия по серии 1.400-15 МН 321
Компания "Метиз-Торг" предлагает Вам купить закладное изделие МН 321 по цене производителя. Закладные детали являются унифицированными железобетонными конструкциями, предназначенными для крепления технологических коммуникаций и устройств на вертикальных частях бетонных сооружений. Производим закладные изделия в соответствии с нормативно-технической документацией на изделия. Учитываем пожелания заказчика при заказе в выборе марки стали, покрытия, маркировки. Производство осуществляется из арматурных стержней и листового и профильного прокатов. Закладные изделия бывают с перпендикулярным, наклонным, параллельным или смешанным расположением анкерных стержней.
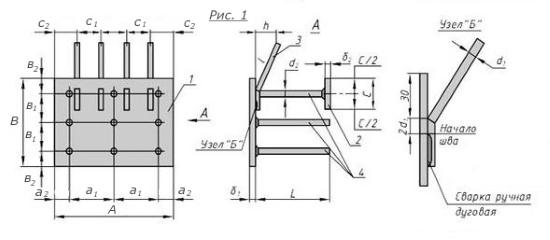
Характеристики:
| Параметр | Обозначение | Значение марки
МН 321-1 |
Значение марки МН 321-2 |
| Размер пластины, мм | А | 400 | 400 |
| Размер пластины, мм | В | 500 | 500 |
| Размер пластины, мм | б | 8 | 8 |
| Привязки анкеров, мм | а1 | 160 | 160 |
| Привязки анкеров, мм | а2 | 40 | 40 |
| Привязки анкеров, мм | в1 | 210 | 210 |
| Привязки анкеров, мм | в2 | 40 | 40 |
| Привязки анкеров, мм | с1 | 90 | 90 |
| Привязки анкеров, мм | с2 | 75 | 75 |
| Количество и диаметр гнутых анкеров | 4ф16AIII | 4ф16AIII | |
| Длина гнутых анкеров, мм | l | 620 | 620 |
| Длина гнутых анкеров, мм | h | 160 | 210 |
| Количество и диаметр прямых анкеров | 9ф12AIII | 9ф12AIII | |
| Длина прямых анкеров, мм | L | 170 | 220 |
| Размеры пластин усиления
и кол-во, мм |
50х50х10 (шт.3) | 50х50х10 (шт.3) | |
|
Выборка стали на 1 изделие (профильная сталь), кг |
-б=8 | 12.6 | 12.6 |
|
Выборка стали на 1 изделие (профильная сталь), кг |
-б=10 | 0.6 | 0.6 |
|
Выборка стали на 1 изделие (арм. AIII ф12), кг |
1.4 | 1.8 | |
|
Выборка стали на 1 изделие (арм. AIII ф16), кг |
4.7 | 4.7 | |
|
Рисунок на чертеже |
1 | 1 | |
| Итого, кг | 19.3 | 19.7 | |
| Обозначение изделия | 1.400-15.B1.350-07 | 1.400-15.B1.350-08 |

Мы гарантируем:
- Качество продукции
- Исполнение в срок
- Соответствие ГОСТ
- Изготовление любого нужного количества
- Работу с любым городом, районом, областью России
|
|
Бесплатная доставка по Тюмени При заказе продукции от 4,5 тонн доставка бесплатная и по Тюменской области. Также мы бесплатно доставляем продукцию до любой транспортной компании. |
|
Вся продукция сопровождается сертификатами на металл и техническим паспортом на изделия. |
Мы - производители, поэтому можем обеспечить нашим клиентам самые низкие цены.
Мы используем современное оборудование, позволяющее нам исполнять самые нестандартные заказы. Мы не боимся изготовления сложных изделий, и всегда производим нужное количество в нужные сроки. Наша команда профессионалов справится с заданием любой сложности!
