Закладные изделия по серии 1.400-15 МН 563
Компания "Метиз-Торг" предлагает Вам купить закладное изделие МН 563 по цене производителя. Закладные детали являются унифицированными железобетонными конструкциями, предназначенными для крепления технологических коммуникаций и устройств на вертикальных частях бетонных сооружений. Производим закладные изделия в соответствии с нормативно-технической документацией на изделия. Учитываем пожелания заказчика при заказе в выборе марки стали, покрытия, маркировки. Производство осуществляется из арматурных стержней и листового и профильного прокатов. Закладные изделия бывают с перпендикулярным, наклонным, параллельным или смешанным расположением анкерных стержней.
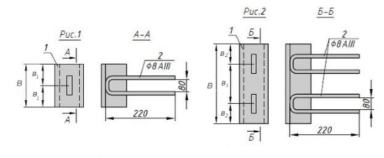
Характеристики:
| Параметр | Обозначение | Значение марки
МН 563 |
| Сечение швеллера (поз.1), мм | 10 | |
| Длина швеллера, мм | В | 300 |
| Количество и диаметр арматуры (поз.2) | 2ф8AIII | |
| Длина арматуры (поз.2), мм | l1 | 220 |
| Привязки анкеров, мм | b1 | 150 |
| Привязки анкеров, мм | b2 | 75 |
|
Выборка стали на 1 изделие (профильная сталь швеллера 10), кг |
2.6 | |
|
Выборка стали на 1 изделие (арм. AIII ф8), кг |
0.4 | |
|
Рисунок на чертеже |
2 | |
| Итого, кг | 3.0 | |
| Обозначение изделия | 1.400-15.B1.560-05 |

Мы гарантируем:
- Качество продукции
- Исполнение в срок
- Соответствие ГОСТ
- Изготовление любого нужного количества
- Работу с любым городом, районом, областью России
|
|
Бесплатная доставка по Тюмени При заказе продукции от 4,5 тонн доставка бесплатная и по Тюменской области. Также мы бесплатно доставляем продукцию до любой транспортной компании. |
|
Вся продукция сопровождается сертификатами на металл и техническим паспортом на изделия. |
Мы - производители, поэтому можем обеспечить нашим клиентам самые низкие цены.
Мы используем современное оборудование, позволяющее нам исполнять самые нестандартные заказы. Мы не боимся изготовления сложных изделий, и всегда производим нужное количество в нужные сроки. Наша команда профессионалов справится с заданием любой сложности!
