Закладные изделия по серии 1.400-15 МН 602
Компания "Метиз-Торг" предлагает Вам купить закладное изделие МН 602 по цене производителя. Закладные детали являются унифицированными железобетонными конструкциями, предназначенными для крепления технологических коммуникаций и устройств на вертикальных частях бетонных сооружений. Производим закладные изделия в соответствии с нормативно-технической документацией на изделия. Учитываем пожелания заказчика при заказе в выборе марки стали, покрытия, маркировки. Производство осуществляется из арматурных стержней и листового и профильного прокатов. Закладные изделия бывают с перпендикулярным, наклонным, параллельным или смешанным расположением анкерных стержней.
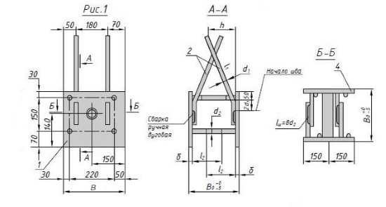
Характеристики:
| Параметр | Обозначение | Значение марки
МН 602 |
| Размер пластины, мм | А | 250 |
| Размер пластины, мм | В | 300 |
| Размер пластины, мм | б | 8 |
| Количество пластин, шт | 2 | |
| Количество и диаметр анкеров (гнутых) | (2+2)ф12AIII | |
| Количество и диаметр анкеров (прямых) | (4+4)ф10AIII | |
| Сечание трубы | 20 | |
| Длина трубы, мм | 190 | |
|
Выборка стали на 1 изделие (профильная сталь), кг |
-б=8 | 9.4 |
|
Выборка стали на 1 изделие (труба), кг |
Тр.20 | 0.3 |
|
Выборка стали на 1 изделие (арм.AIIIф10), кг |
0.7 | |
|
Выборка стали на 1 изделие (арм.AIIIф12), кг |
1.4 | |
|
Рисунок на чертеже |
1 | |
| Итого, кг | 11.8 | |
| Обозначение изделия | 1.400-15.B1.610-01 |

Мы гарантируем:
- Качество продукции
- Исполнение в срок
- Соответствие ГОСТ
- Изготовление любого нужного количества
- Работу с любым городом, районом, областью России
|
|
Бесплатная доставка по Тюмени При заказе продукции от 4,5 тонн доставка бесплатная и по Тюменской области. Также мы бесплатно доставляем продукцию до любой транспортной компании. |
|
Вся продукция сопровождается сертификатами на металл и техническим паспортом на изделия. |
Мы - производители, поэтому можем обеспечить нашим клиентам самые низкие цены.
Мы используем современное оборудование, позволяющее нам исполнять самые нестандартные заказы. Мы не боимся изготовления сложных изделий, и всегда производим нужное количество в нужные сроки. Наша команда профессионалов справится с заданием любой сложности!
