Для сортировки введите интересующее значение в поисковую строку
| DIN | ISO | ГОСТ | Чертеж | Наименование |
|---|---|---|---|---|
| DIN 1 | ISO 2339 | ГОСТ 312970 | ![]() |
Штифт конический незакалнный |
| DIN 7 | ISO 2338 | ГОСТ 3128 | ![]() |
Штифт цилиндрический незакалнный |
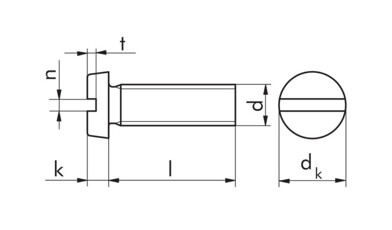
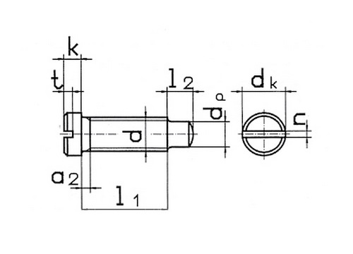
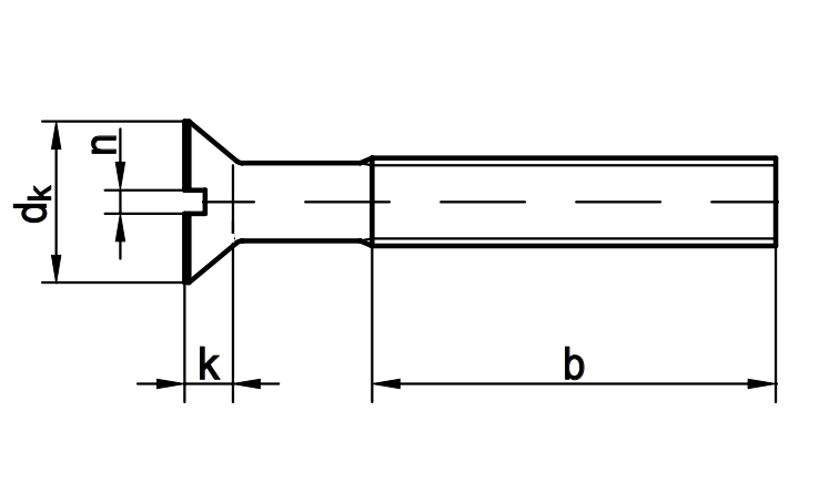
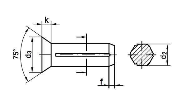
| DIN 84 | ISO 1207 | ГОСТ 1491 | ![]() |
Винт с цилиндрической головкой прямым шлицем и полной резьбой |
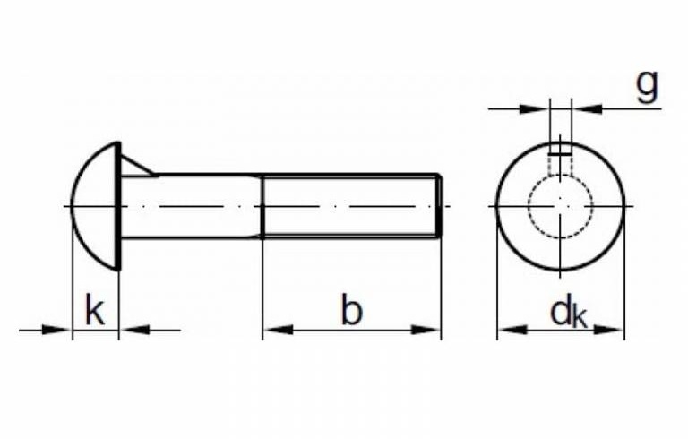
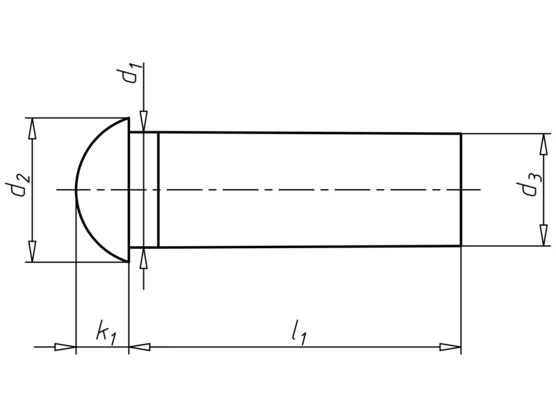
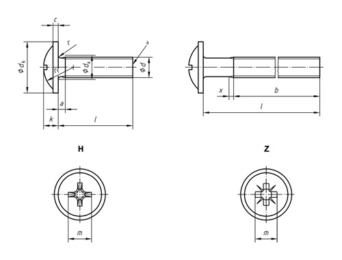
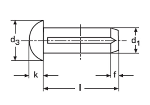
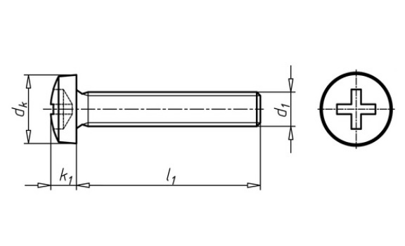
| DIN 85 | ISO 1580 | ГОСТ 17473 | ![]() |
Винт с цилиндрической скругленной головкой прямым шлицем |
| DIN 93 | ISO 1891401 | ГОСТ 13463 13464 | ![]() |
Шайба стопорная лапчатая с одной лапкой |
| DIN 94 | ISO 1234 | ГОСТ 397 | ![]() |
Шплинт стальной |
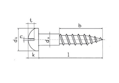
| DIN 95 | ГОСТ 114680 | ![]() |
Шуруп по дереву с полупотайной головкойпрямой шлиц | |
| DIN 96 | ГОСТ 1144 | ![]() |
Саморез шуруп с полукруглой головкой и прямым шлицем по дереву | |
| DIN 97 | ГОСТ 1145 | ![]() |
Саморез шуруп с потайной головкой и крестообразным шлицем по дереву | |
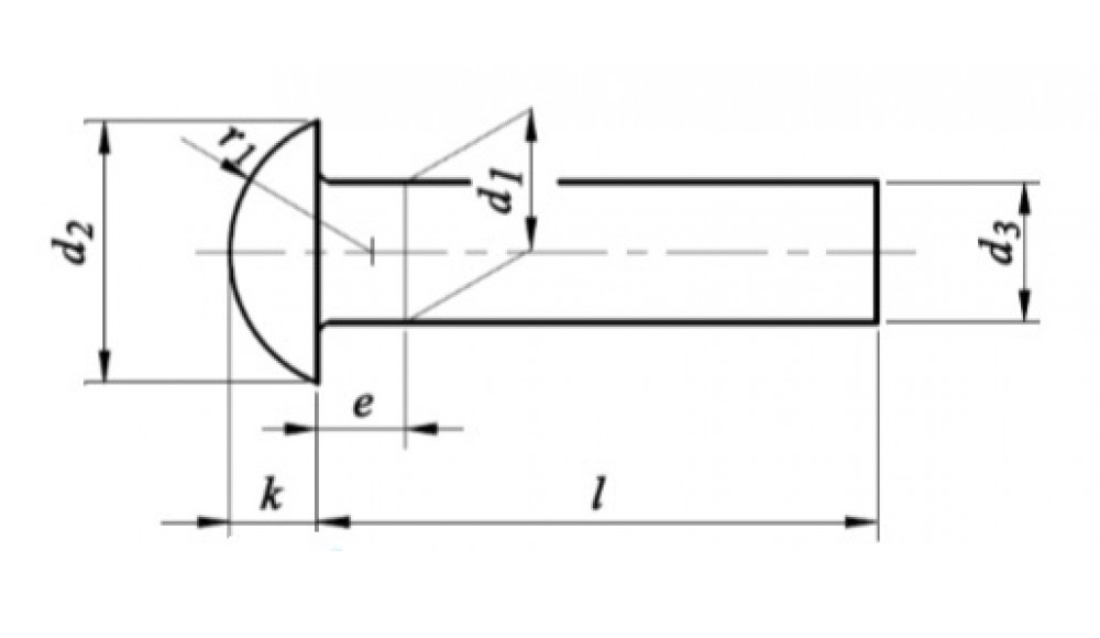
| DIN 124 | ISO 1051 | ГОСТ 1029980 | ![]() |
Заклпка под молоток стальная с полукруглой головкой диаметр заклпки от 10 до 36 мм длина от 30 до 200 мм |
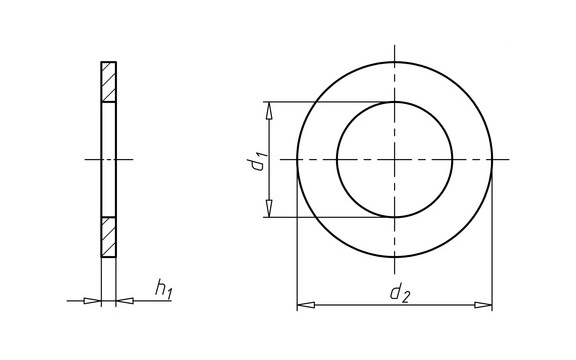
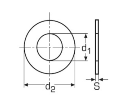
| DIN 125A | ISO 7089 | ГОСТ 11371 | ![]() |
Шайба плоская класс прочности А |
| DIN 125 B | ISO 7090 | ГОСТ 1137178 | ![]() |
Шайба плоская с фаской форма В |
| DIN 126 | ISO 7091 | ![]() |
Шайба плоская стальная диаметр внутренний от 55 до 96 | |
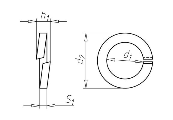
| DIN 127 A | ГОСТ 640270 | ![]() |
Шайба пружинная гровер форма A острые кромкидиаметр внутренний от 2 до 100 | |
| DIN 127 B | ГОСТ 6402 | ![]() |
Шайба пружинная Гровер форма В притупленные кромки | |
| DIN 128 A | ![]() |
Шайба пружинная Гровер одновитковая | ||
| DIN 128 B | ![]() |
Шайба пружинная Гровер одновитковая Тип В | ||
| DIN 137 A | ![]() |
Шайба пружинная волнистая тарельчатая | ||
| DIN 137 B | ![]() |
Шайба пружинная волнистая тарельчатая | ||
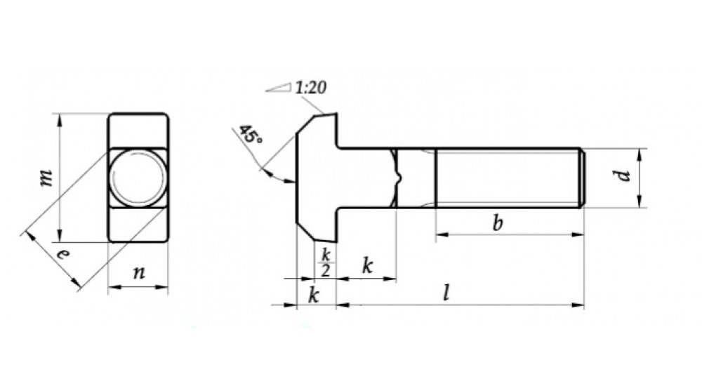
| DIN 186 B | ГОСТ 1315267 | ![]() |
Болт Тобразный к пазам станочным обработанным неполная резьба | |
| DIN 188 | ![]() |
Болт с Тобразной головкой и усиком | ||
| DIN 258 | ![]() |
Штифт конический с метрической резьбой на одной стороне конусная часть постоянной длины | ||
| DIN 261 | ![]() |
Tболт с Tобразной головкой для пазов | ||
| DIN 302 | ISO 1051 | ![]() |
Заклпка с потайной головкой диаметр заклпки от 10 до 30 мм длина от 30 до 200 мм | |
| DIN 315 AF | ГОСТ 3032 | ![]() |
Гайка барашковая с округлыми прямоугольными лепестками | |
| DIN 315 GF | ГОСТ 3032 | ![]() |
Гайка барашковая с округлыми прямоугольными лепестками | |
| DIN 316 AF | ![]() |
Винт барашковый с округлыми прямоугольными лепестками | ||
| DIN 316 GF | ![]() |
Винт барашковый с округлыми прямоугольными лепестками | ||
| DIN 404 | ![]() |
Винт пломбировочный с радиальными отверстиями и прямым шлицем | ||
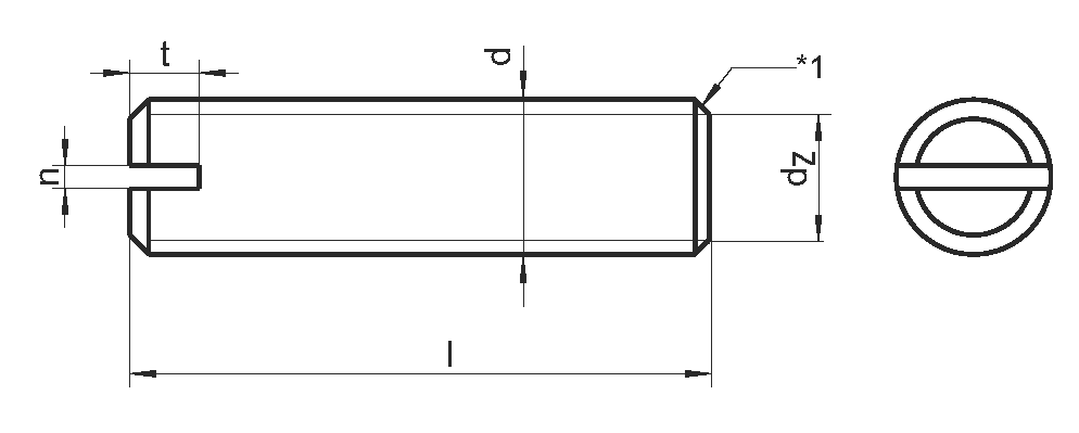
| DIN 417 | ISO 7435 | ГОСТ 1478 | ![]() |
Винт установочный с прямым шлицем и цилиндрическим концом |
| DIN 427 | ISO 2342 | ![]() |
Винт установочный с прямым шлицем тупым концом и неполной резьбой | |
| DIN 431 | ![]() |
Гайка низкая с дюймовой резьбой и односторонней фаской | ||
| DIN 432 | ![]() |
Шайба стопорная с наружным выступом | ||
| DIN 433 | ISO 7092 | ГОСТ 10450 | ![]() |
Шайба плоская узкая уменьшенная |
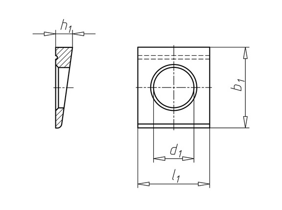
| DIN 434 | ГОСТ 1090678 | ![]() |
Шайба косая квадратная для швеллеров | |
| DIN 435 | ГОСТ 1090678 | ![]() |
Шайба косая квадратная клиновая с проточкой 14 для швеллеров | |
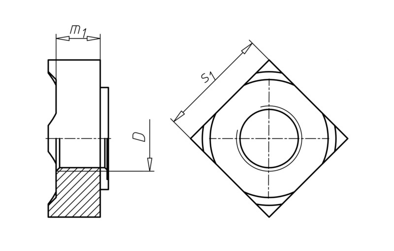
| DIN 436 | ISO 7094 | ![]() |
Шайба квадратная | |
| DIN 438 | ISO 743 | ГОСТ 1477 | ![]() |
Винт установочный с прямым шлицем тупым концом и с центрующим углублений |
| DIN 439 A | ISO 4035 4036 8675 | ГОСТ 5916 | ![]() |
Гайка шестигранная низкая с фаской |
| DIN 439 B | ISO 4035 4036 8675 | ГОСТ 5916 | ![]() |
Гайка шестигранная низкая с фаской |
| DIN 440 R | ISO 7094 | ГОСТ 6958 | ![]() |
Шайба плоская увеличенная для деревянных конструкций |
| DIN 440 V | ISO 7094 | ГОСТ 6958 | ![]() |
Шайба плоская увеличенная для деревянных конструкций |
| DIN 442 | ![]() |
Крышка для укупорки закатыванием | ||
| DIN 443 | ![]() |
Крышка для укупорки вдавливанием | ||
| DIN 444 | ГОСТ 14724 14725 3033 | ![]() |
Болт откидной с ушком петлей | |
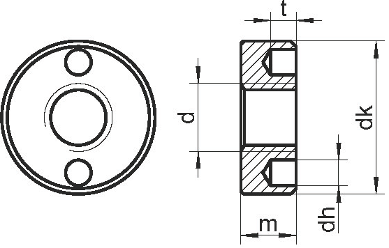
| DIN 462 | ![]() |
Шайба стопорная с внутренним усиком выступом для гайки шлицевой | ||
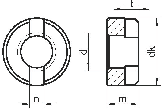
| DIN 463 | ГОСТ 13463 13464 | ![]() |
Шайба стопорная лапчатая с двумя лапками | |
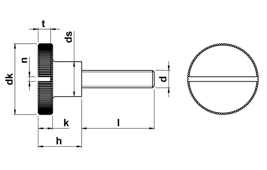
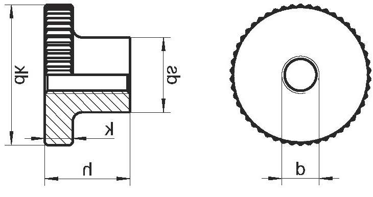
| DIN 464 | ![]() |
Винт нажимной высокий с накатанной головкой | ||
| DIN 465 | ![]() |
Винт нажимной высокий с накатанной головкой и прямым шлицем | ||
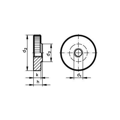
| DIN 466 | ![]() |
Гайка круглая рифлная высокая с накаткой | ||
| DIN 467 | ![]() |
Гайка круглая рифленая низкая с накаткой | ||
| DIN 470 | ![]() |
Шайба запорная | ||
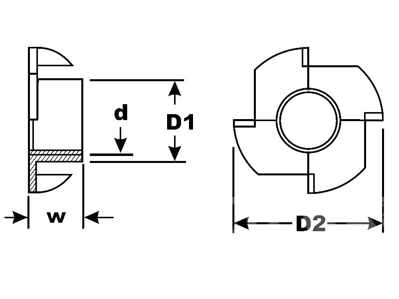
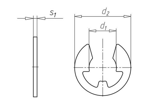
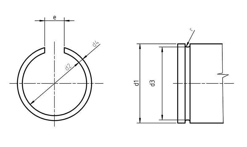
| DIN 471 | ГОСТ 13942 | ![]() |
Кольцо стопорное для вала | |
| DIN 472 | ГОСТ 13943 | ![]() |
Кольцо стопорное внутреннее для отверстий | |
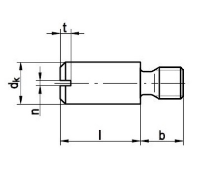
| DIN 478 | ГОСТ 148884 | ![]() |
Винт установочный с квадратной головкой и буртиком М6М24 L16180 | |
| DIN 479 | ГОСТ 14855 | ![]() |
Винт установочный с квадратной головкой и полной резьбой | |
| DIN 480 | ГОСТ 148684 | ![]() |
Винт установочный с квадратной головкой буртиком и закругленным концом М 8 М24 L20160 | |
| DIN 508 | ISO 299 | ![]() |
Гайка для Тобразных пазов М5М48 | |
| DIN 525 | ISO 2339 | ![]() |
Шпилька приварная с гайкой резьбовая стальная М6М36 | |
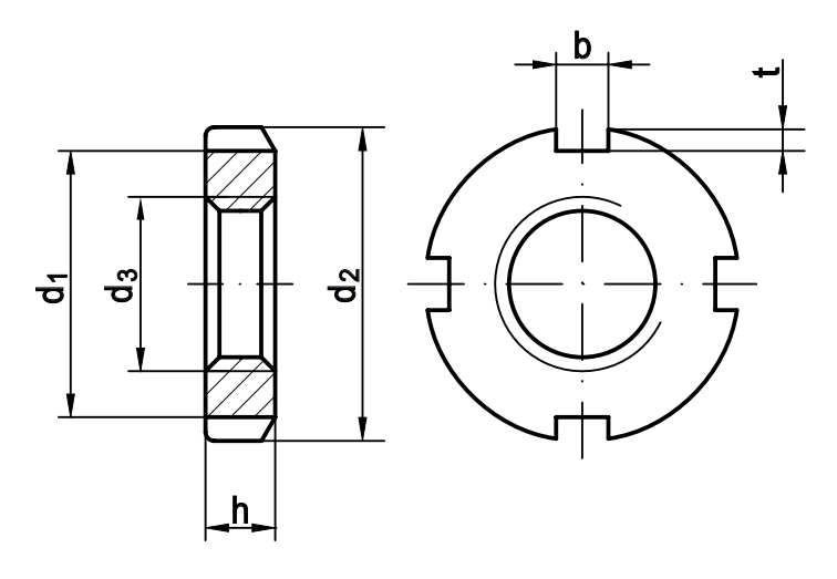
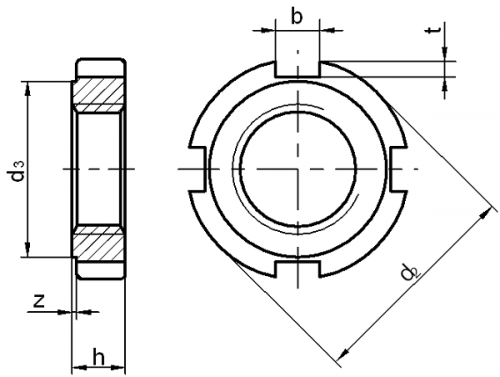
| DIN 546 | ГОСТ 11871 10657 | ![]() |
Гайка круглая со шлицем на торце | |
| DIN 547 | ГОСТ 11871 | ![]() |
Гайка круглая с 2мя отверстиями на поверхности | |
| DIN 548 | ![]() |
Гайка круглая с радиальными отверстиями | ||
| DIN 551 | ISO 4766 | ГОСТ 1477 | ![]() |
Винт установочный с прямым шлицем и плоским концом |
| DIN 553 | ISO 7434 | ГОСТ 1476 | ![]() |
Винт установочный с прямым шлицем и коническим концом |
| DIN 555 | ISO 4034 | ГОСТ 591570 ГОСТ 592770 ГОСТ 1060594 ГОСТ 1552670 | ![]() |
Гайка шестигранная аналог DIN 934 диаметр от М5 до М30 |
| DIN 557 | ![]() |
Гайка квадратная с фаской класс С | ||
| DIN 558 | ISO 4018 | ![]() |
Болт с шестигранной головой полная резьба класс точности C | |
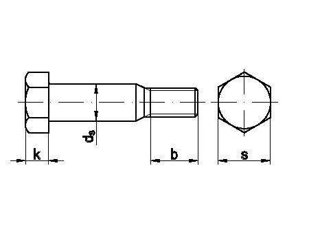
| DIN 561 | ГОСТ 1481 | ![]() |
Болт с шестигранной уменьшенной головой цилиндрическим концом | |
| DIN 562 | ![]() |
Гайка квадратная низкая класс В | ||
| DIN 564 | ![]() |
Болт стопорный с шестигранной уменьшенной головкой и коническим концом | ||
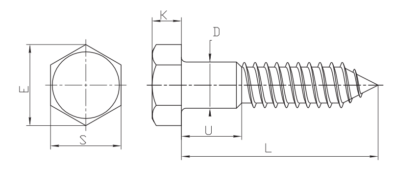
| DIN 571 | ГОСТ 11473 | ![]() |
Саморез Глухарь сантехнический с шестигранной головой | |
| DIN 601 | ISO 4016 | ![]() |
Болт с шестигранной головкой с гайкой неполная резьба | |
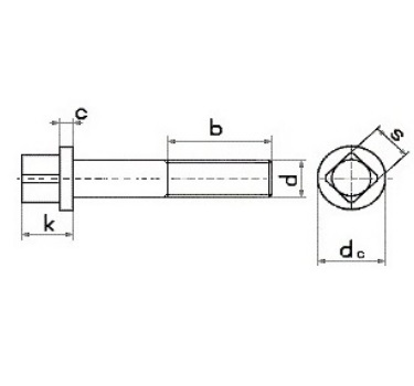
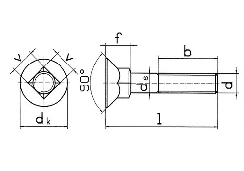
| DIN 603 | ISO 8677 | ГОСТ 7802 | ![]() |
Болт мебельный дорожный с ув полукр головой и кв подголовком |
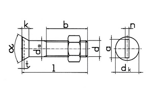
| DIN 604 | ![]() |
Болт мебельный с потайной головой и усом | ||
| DIN 605 | ГОСТ 7786 | ![]() |
Болт мебельный с потайной головой и высоким квадратным подголовком | |
| DIN 607 | ГОСТ 7801 | ![]() |
Болт мебельный с полукруглой головой и усом | |
| DIN 608 | ГОСТ 7786 | ![]() |
Болт мебельный с потайной головой и низким квадратным подголовком | |
| DIN 609 | ![]() |
Болт призонный шестигранный с длинной резьбовой цапфой | ||
| DIN 610 | ![]() |
Болт призонный с шестигранной головкой и короткой резьбовой цапфой | ||
| DIN 653 | ![]() |
Винт низкого типа с накатанной головкой | ||
| DIN 660 | ISO 1051 | ГОСТ 1029980 | ![]() |
Заклепка забивная |
| DIN 661 | ISO 1051 | ГОСТ 10300 | ![]() |
Заклепка с потайной головкой |
| DIN 662 | ISO 1051 | ГОСТ 1030180 | ![]() |
Заклпка с полупотайной головкой |
| DIN 674 | ISO 1051 | ГОСТ 1030280 | ![]() |
Заклпка с полукруглой низкой головкой |
| DIN 675 | ISO 1051 | ![]() |
Заклпка с плоской потайной головкой | |
| DIN 703 | ![]() |
Кольцо установочное с гнездом для винта | ||
| DIN 705 | ![]() |
Кольцо установочное | ||
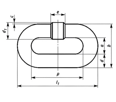
| DIN 763 | ГОСТ 231981 В | ![]() |
Цепь длиннозвенная сварная | |
| DIN 766 | ГОСТ 231981 А | ![]() |
Цепь короткозвенная сварная | |
| ISO 1704 | ГОСТ 22879 | ![]() |
Цепь якорная с распорками | |
| ISO 307684 | ГОСТ 3044197 | ![]() |
Цепь короткозвенная некалиброванная класс прочности 80 | |
| ISO 61090 | ГОСТ 2599697 | ![]() |
Цепь круглозвенная высокопрочная для горного оборудования | |
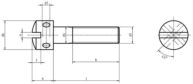
| DIN 787 | ![]() |
Винт для Тобразных пазов | ||
| DIN 792 | ![]() |
Болт с потайной цилиндрической головкой и усом | ||
| DIN 797 | ![]() |
Болт анкерный фундаментный | ||
| DIN 798 | ![]() |
Гайка анкерная квадратная для анкерных болтов | ||
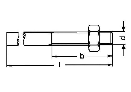
| DIN 835 | ГОСТ 22038 22039 | ![]() |
Шпилька резьбовая с ввинчиваемым концом 2d | |
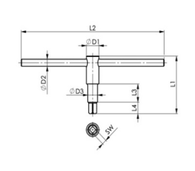
| DIN 905 | ![]() |
Ключ для болтов с внутренним четырхгранником 11 мм | ||
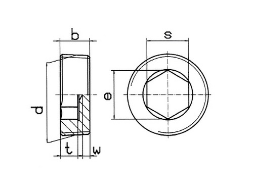
| DIN 906 | ГОСТ 2С98373 | ![]() |
Пробка резьбовая коническая | |
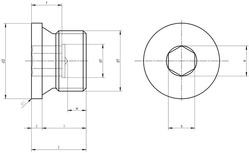
| DIN 908 | ГОСТ 2С98473 | ![]() |
Пробка резьбовая цилиндрическая с шестигранным углублением под ключ | |
| DIN 909 | ![]() |
Пробка заглушка резьбовая коническая с шестигранной головкой | ||
| DIN 910 | ![]() |
Пробка резьбовая с шестигранной головкой и фланцем резьба метрическая | ||
| DIN 911 | ISO 2936 | ![]() |
Ключ шестигранный | |
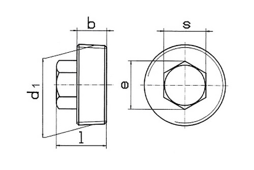
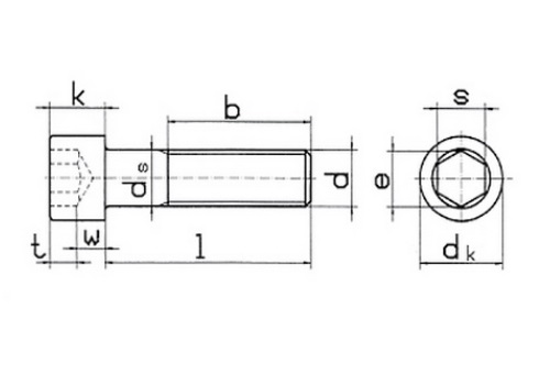
| DIN 912 | ISO 4762 | ГОСТ 11738 | ![]() |
Винт с цилиндрической головкой и внутренним шестигранником под ключ |
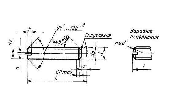
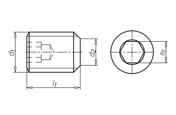
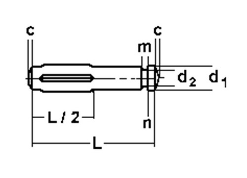
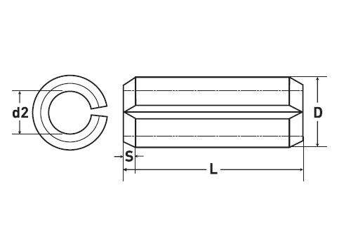
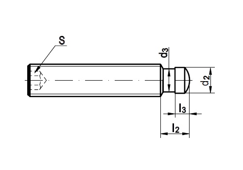
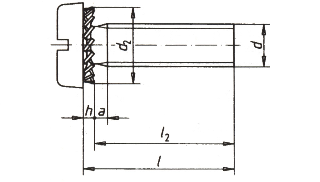
| DIN 913 | ISO 4726 | ГОСТ 1104 | ![]() |
Винт установочный с шестигранным угл под ключ и пл концом |
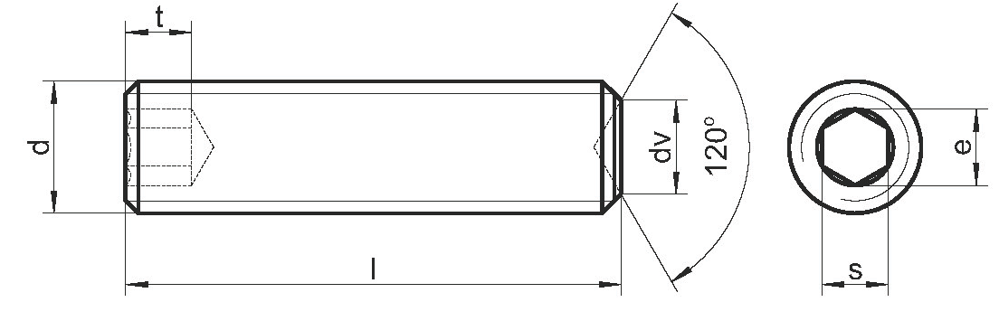
| DIN 914 | ISO 4027 | ГОСТ 8878 | ![]() |
Винт установочный с шестигругл под ключ и коническим заостр концом |
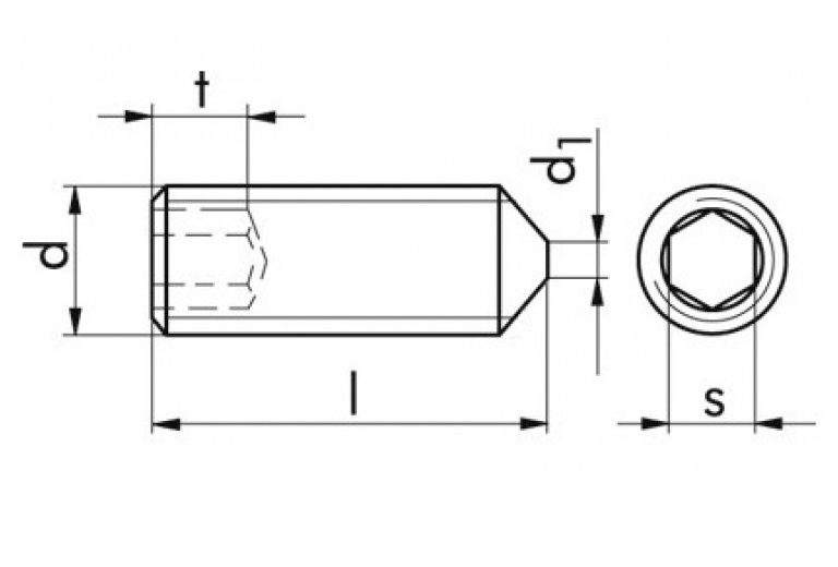
| DIN 915 | ISO 4028 | ГОСТ 11075 | ![]() |
Винт установочный с шестигр угл под ключ и цилиндр цапфой концом |
| DIN 916 | ISO 4029 | ГОСТ 28964 | ![]() |
Винт установочный с шестигругл под ключ и засверленным концом |
| DIN 917 | ![]() |
Гайка шестигранная глухая колпачковая низкая | ||
| DIN 920 | ![]() |
Винт с уменьшенной цилиндрической головкой и прямым шлицем | ||
| DIN 921 | ![]() |
Винт с плоской увеличенной головкой и прямым шлицем | ||
| DIN 922 | ![]() |
Винт с плоской уменьшенной головкой и цилиндрической цапфой | ||
| DIN 923 | ![]() |
Винт палец с цилиндрической головкой и шлицем | ||
| DIN 924 | ![]() |
Винт с полупотайной головкой с прямым шлицем и цапфой | ||
| DIN 925 | ![]() |
Винт с потайной головкой с прямым шлицем и цапфой | ||
| DIN 926 | ![]() |
Винт без головки с прямым шлицем и цапфой | ||
| DIN 927 | ![]() |
Винт с цилиндрической цапфой и прямым шлицем | ||
| DIN 928 | ![]() |
Гайка квадратная приварная | ||
| DIN 929 | ![]() |
Гайка шестигранная приварная | ||
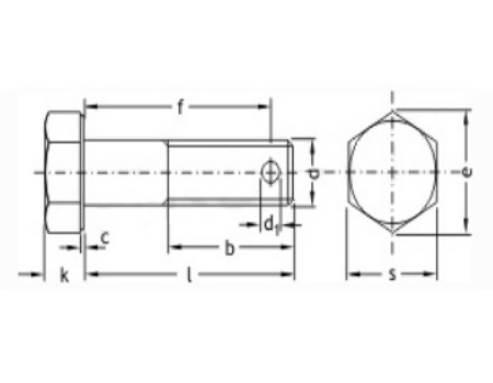
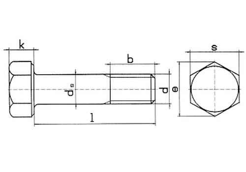
| DIN 931 | ISO 4014 | ГОСТ 7798 7805 | ![]() |
Болт с шестигранной головой неполная резьба класс точн А В |
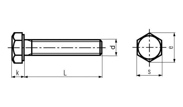
| DIN 933 | ISO 4017 | ГОСТ 7798 7805 | ![]() |
Болт с шестигранной головой полная резьба класс точности А В |
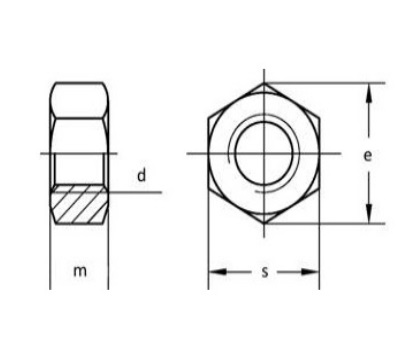
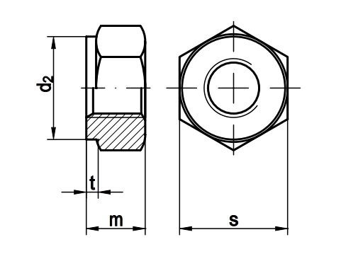
| DIN 934 | ISO 4032 8673 | ГОСТ 5927 5915 | ![]() |
Гайка шестигранная |
| DIN 935 | ISO 7035 7036 7037 | ГОСТ 5918 5932 | ![]() |
Гайка шестигранная прорезная корончатая |
| DIN 936 | ISO 8675 | ГОСТ 5916 | ![]() |
Гайка шестигранная низкая |
| DIN 937 | ISO 7038 | ГОСТ 5932 5919 | ![]() |
Гайка шестигранная низкая прорезная корончатая |
| DIN 938 | ГОСТ 22032 22033 | ![]() |
Шпилька резьбовая с ввинчиваемым концом 1d | |
| DIN 939 | ГОСТ 22034 22035 | ![]() |
Шпилька резьбовая с ввинчиваемым концом 125d | |
| DIN 940 | ![]() |
Шпилька резьбовая ввинчиваемый конец 25d | ||
| DIN 960 | ISO 8765 8676 | ![]() |
Болт с шестигранной головой с мелкой и супермелкой неполной резьбой | |
| DIN 961 | ISO 8676 | ![]() |
Болт c шестигранной головой с мелкой и супермелкой полной резьбой | |
| DIN 962 | ISO 7378 | ![]() |
Стандарт на размеры отверстий в болтах под шплинт пломбу | |
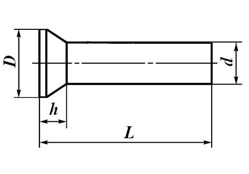
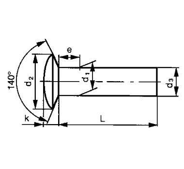
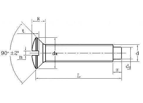
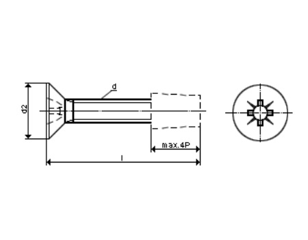
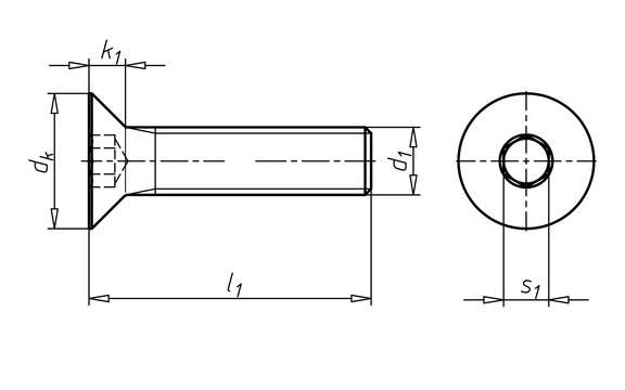
| DIN 963 | ISO 2009 | ГОСТ 17475 исп 1 | ![]() |
Винт с потайной головкой прямым шлицем и полной резьбой |
| DIN 964 | ISO 2010 | ГОСТ 17474 | ![]() |
Винт с полупотайной головкой прямым шлицем и полной резьбой |
| DIN 965 | ISO 70461 70462 | ГОСТ 17475 исп 2 | ![]() |
Винт с потайной головкой крест шлицем и пол рез |
| DIN 966 | ISO 7047 | ГОСТ 17474 | ![]() |
Винт с полупотайной головкой крестообразным шлицем и полной резьбой |
| DIN 967 | ГОСТ 11644 | ![]() |
Винт мебельный полусфер гол с прессш Combi PZ и полн рез | |
| DIN 968 | ![]() |
Шуруп саморез с полукруглой головкой с буртиком | ||
| DIN 970 | ISO 4032 | ![]() |
Гайка шестигранная с метрической и дюймовой резьбой | |
| DIN 971 | ISO 8673 ISO 8674 | ![]() |
Гайка шестигранная с метрической мелкой резьбой | |
| DIN 975 | ![]() |
Шпилька резьбовая для монтажа систем вентиляции воздуховодов водопроводов | ||
| DIN 976 | ![]() |
Шпилька резьбовая для монтажа систем вентиляции воздуховодов водопроводов | ||
| DIN 977 | ISO 21670 | ![]() |
Гайка шестигранная приварная с фланцем | |
| DIN 979 | ISO 7038 | ![]() |
Гайка шестигранная низкая прорезная корончатая | |
| DIN 980 | ISO 7042 10513 | ![]() |
Гайка шестигранная со стопорным кольцом и скошенными краями | |
| DIN 981 | ![]() |
Гайка круглая шлицевая | ||
| DIN 982 | ISO 7040 10512 | ![]() |
Гайка шестигранная со стопорным нейлоновым кольцом высокая | |
| DIN 983 | ![]() |
Кольцо стопорное пружинное наружное с лапками для вала | ||
| DIN 984 | ![]() |
Кольцо стопорное пружинное внутреннее с лапками для отверстия | ||
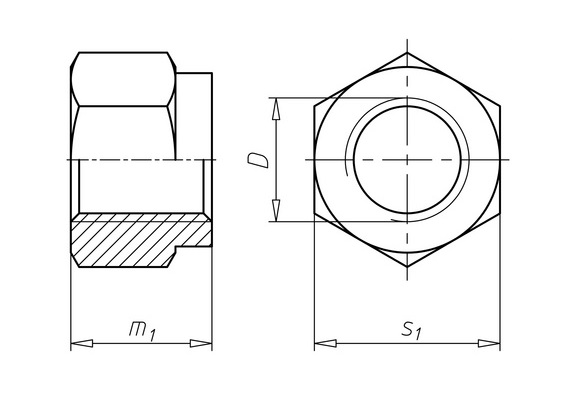
| DIN 985 | ISO 10511 | ![]() |
Гайка шестигранная со cтопорным нейлоновым кольцом низкая | |
| DIN 986 | ![]() |
Гайка шестигранная колпачковая со стопорным нейлоновым кольцом | ||
| DIN 988 | ![]() |
Шайба регулировочная подгоночная опорная плоская кольцо прокладка | ||
| DIN 1052 | ![]() |
Шайба плоская увеличенная | ||
| DIN 1142 | ![]() |
Зажим Слоник усиленный для троса | ||
| DIN 1433 | ![]() |
Палец цилиндрический | ||
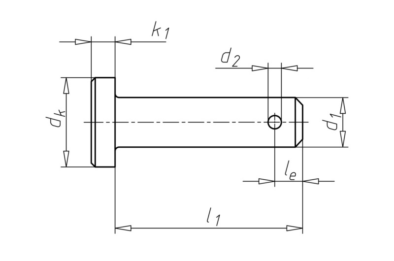
| DIN 1434 | ![]() |
Палец цилиндрический с уменьшенной головкой | ||
| DIN 1435 | ![]() |
Палец цилиндрический с головкой | ||
| DIN 1436 | ![]() |
Палец цилиндрический с широкой головкой | ||
| DIN 1440 | ISO 8738 | ![]() |
Шайба плоская усиленная под палец ось | |
| DIN 1441 | ![]() |
Шайба плоская под палец ось | ||
| DIN 1443 | ISO 2340 | ![]() |
Штифт цилиндрический без головки | |
| DIN 1444 | ISO 2341 | ![]() |
Штифт цилиндрический ось с головкой палец с отверстием под шплинт | |
| DIN 1445 | ![]() |
Болт с уменьшенной плоской двухгранной головкой и резьбовой цапфой | ||
| DIN 1469 | ![]() |
Штифт просечной цилиндрический с шейкой | ||
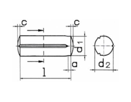
| DIN 1470 | ISO 8739 | ![]() |
Штифт цилиндрический насечнный | |
| DIN 1471 | ISO 8745 | ![]() |
Штифт конический насеченный по всей длине | |
| DIN 1472 | ISO 8745 | ![]() |
Штифт конический насеченный наполовину от всей длины | |
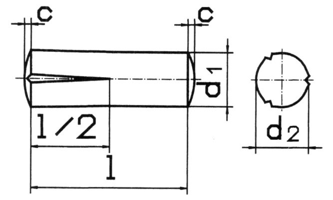
| DIN 1473 | ISO 8740 | ![]() |
Штифт цилиндрический насечнный по всей длине и фаской | |
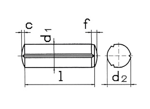
| DIN 1474 | ISO 8741 | ![]() |
Штифт конический комбинированный насечнный на конусной части | |
| DIN 1475 | ISO 8742 ISO 8743 | ![]() |
Штифт цилиндрический с насечкой посредине 13 длины | |
| DIN 1476 | ISO 8746 | ![]() |
Заклепка полукруглая насеченная по всей длине | |
| DIN 1477 | ISO 8747 | ![]() |
Штифт с потайной головкой насечнный по всей длине | |
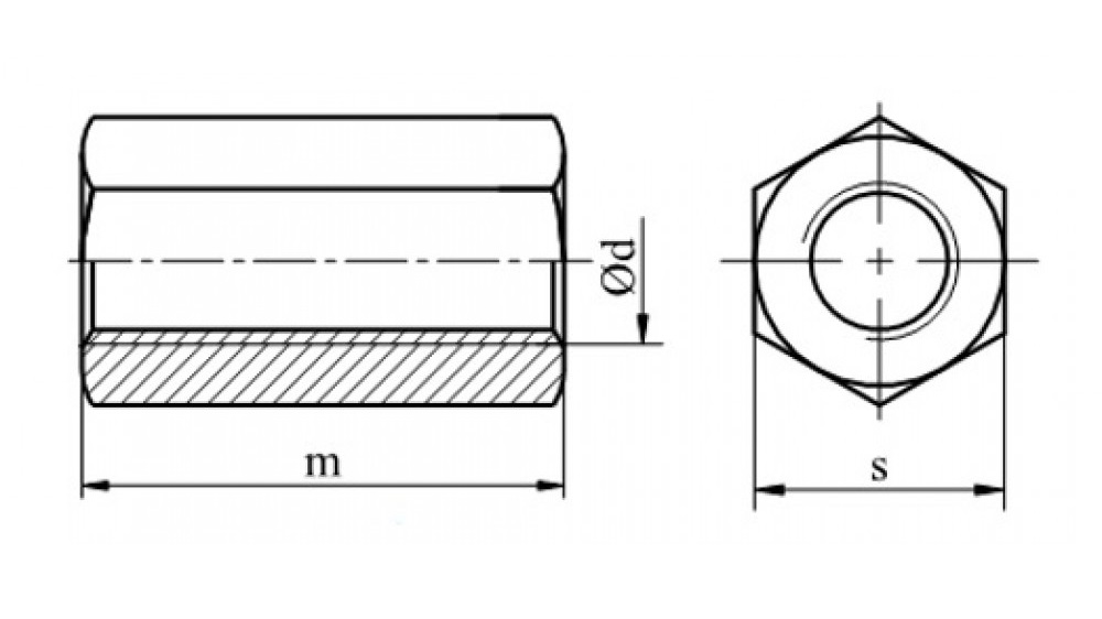
| DIN 1479 | ![]() |
Гайка муфта стяжная шестигранная | ||
| DIN 1481 | ![]() |
Штифт пружинный | ||
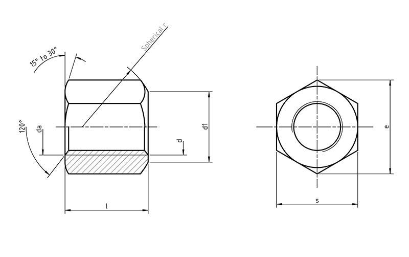
| DIN 1587 | ГОСТ 11860 | ![]() |
Гайка шестигранная колпачковая высокая | |
| DIN 1624 | ![]() |
Гайка усовая врезная с зубцами 9314 | ||
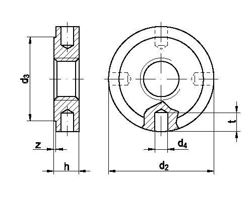
| DIN 1804 | ГОСТ 1187188 | ![]() |
Гайка круглая шлицевая | |
| DIN 1816 | ГОСТ 639373 | ![]() |
Гайка круглая с радиальными отверстиями для штифтов | |
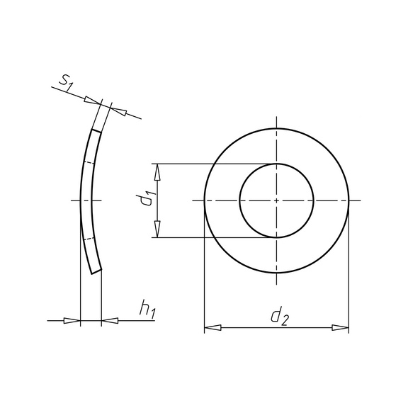
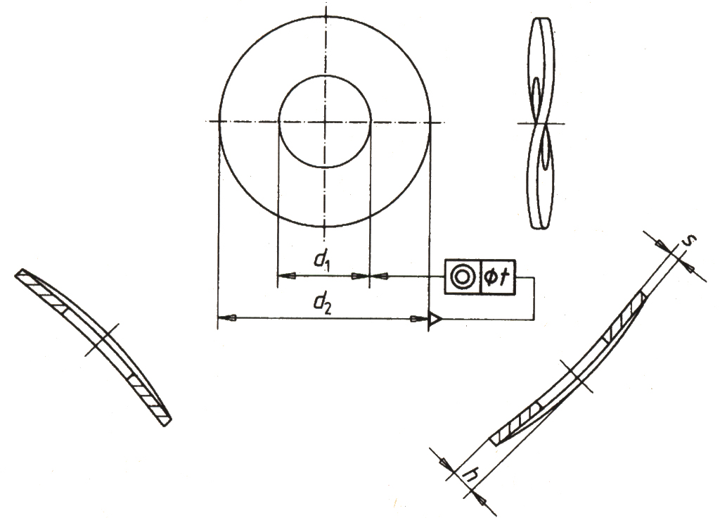
| DIN 2093 | ГОСТ 3057 | ![]() |
Шайба тарельчатая | |
| DIN 2510 | ![]() |
Гайка шестигранная для шпилек | ||
| DIN 3017 | ГОСТ 2819189 | ![]() |
Хомуты червячные | |
| DIN 3061 | ![]() |
Канат стальной | ||
| DIN 5406 | ГОСТ 11872 | ![]() |
Шайба стопорная многолапчатая | |
| DIN 5587 | ![]() |
Гайка шестигранная высокая | ||
| DIN 5684 | ISO 183480 | ГОСТ 3018897 | ![]() |
Цепь грузоподъемная калиброванная высокопрочная |
| DIN 5685 АВ | ГОСТ 7070 75 | ![]() |
Цепь оцинкованная стальная | |
| DIN 5686 | ![]() |
Цепь витая | ||
| DIN 6303 | ![]() |
Гайка с накаткой | ||
| DIN 6319 | ГОСТ 13438 | ![]() |
Шайба сферическая коническая шаровая | |
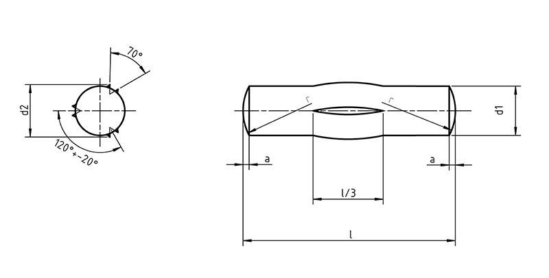
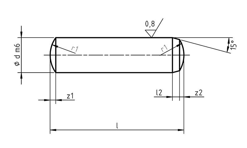
| DIN 6325 | ISO 8734A | ГОСТ 3128 | ![]() |
Штифт цилиндрический закалнный |
| DIN 6330 | ГОСТ 15532 | ![]() |
Гайка шестигранная высокая форма В с одним сферическим торцом высота 1 | |
| DIN 6331 | ![]() |
Гайка шестигранная высокая с шестигранным буртиком фланцем высота 15d | ||
| DIN 6332 | ![]() |
Шпилька стопорная с упорной цапфой | ||
| DIN 6334 | ![]() |
Гайка шестигранная удлиненая втулка соединительная переходная высота 3d | ||
| DIN 6340 | ![]() |
Шайба плоская усиленная | ||
| DIN 6796 | ГОСТ 13439 | ![]() |
Шайба тарельчатаязажимная пружинная упругая для болтовых резьбовых соединений | |
| DIN 6797 I | ГОСТ 10462 | ![]() |
Шайба зубчатая упругая с внутренними зубцами | |
| DIN 6797 V | ГОСТ 10464 | ![]() |
Шайба зубчатая упругая вогнутая с внешними зубцами | |
| DIN 6798 A | ГОСТ 10463 | ![]() |
Шайба стопорная с упругими внешними зубцами | |
| DIN 6798 I | ГОСТ 10462 | ![]() |
Шайба стопорная с упругими внутренними зубцами | |
| DIN 6798 V | ГОСТ 10464 | ![]() |
Шайба стопорная вогнутая с упругими внешними зубцами | |
| DIN 6799 | ГОСТ 11648 | ![]() |
Кольцо стопорное упорное быстросъемное для вала | |
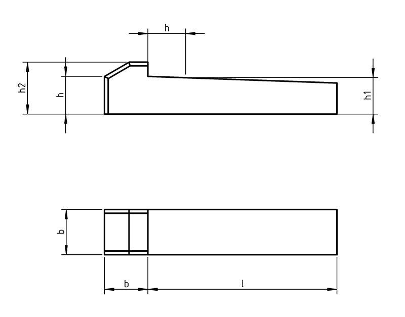
| DIN 6884 | ![]() |
Шпонка клиновая с головкой и без головки с лыской | ||
| DIN 6885 | ISO 2491 | ГОСТ 2336078 | ![]() |
Шпонка призматическая |
| DIN 6887 | ISO 774 | ![]() |
Шпонка клиновая врезная с головкой и без головки | |
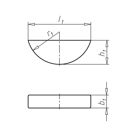
| DIN 6888 | ISO 3912 | ГОСТ 2407197 | ![]() |
Шпонка сегментная |
| DIN 6900 | ![]() |
Винты комбинированные с невыпадающими шайбами | ||
| DIN 6901 | ![]() |
Винты самонарезающие с невыпадающими плоскими шайбами | ||
| DIN 6902 | ![]() |
Плоские шайбы для комбинированных винтов | ||
| DIN 6904 | ![]() |
Упругие шайбы для комбинированных винтов | ||
| DIN 6905 | ![]() |
Пружинные шайбы для комбинированных винтов | ||
| DIN 6906 | ![]() |
Шайбы пружинные с зубцами для комбинированных винтов | ||
| DIN 6907 | ![]() |
Шайбы упругие фасонные с наружными зубцами для комбинированных винтов | ||
| DIN 6908 | ![]() |
Шайбы упругие зажимные для комбинированных винтов | ||
| DIN 6911 | ![]() |
Ключ торцевой для внутреннего шестигранника с направляющей | ||
| DIN 6912 | ![]() |
Винт с цилиндрической низкой головкой и внутренним шестигранником под ключ | ||
| DIN 6913 | ![]() |
Шайба пружинная с защитным пояском | ||
| DIN 6914 | ISO 7412 EN 143994 | ГОСТ 52644 | ![]() |
Болт с шестигранной увеличенной головой высокопрочный |
| DIN 6915 | ISO 7414 EN 143994 | ГОСТ 52645 | ![]() |
Гайка высокопрочная с увеличенным размером под ключ |
| DIN 6916 | ISO 7416 EN 143996 | ГОСТ 22355 52646 | ![]() |
Шайба к высокопрочным болтам плоская |
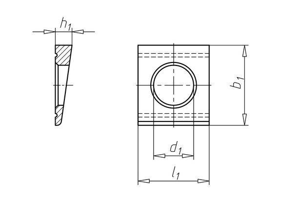
| DIN 6917 | ![]() |
Шайба косая квадратная с проточкой 14 Grad для высоконагруженных резьбовых соединений | ||
| DIN 6918 | ![]() |
Шайба косая квадратная с двумя проточками 8 Grad для высоконагруженных резьбовых соединений | ||
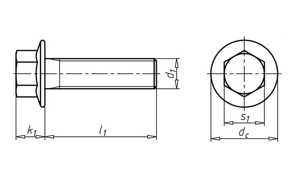
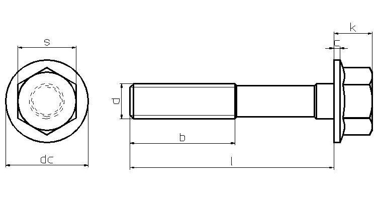
| DIN 6921 | ISO 8100 8102 EN 1665 | ![]() |
Болт с шестигранной головой и фланцем | |
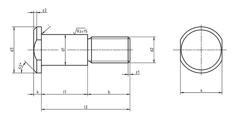
| DIN 6922 | ![]() |
Болт высокопрочный с фланцем и переходным хвостовиком | ||
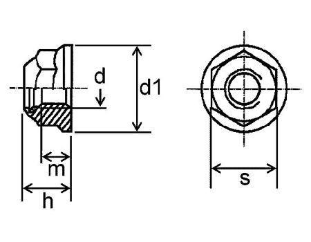
| DIN 6923 | ISO 4161 10663 | ГОСТ 50592 | ![]() |
Гайка шестигранная с фланцем |
| DIN 6924 | ![]() |
Гайка шестигранная самоконтрящаяся c неметаллическим вкладышем | ||
| DIN 6925 | ![]() |
Гайка шестигранная самоконтрящаяся цельнометаллическая | ||
| DIN 6926 | ISO 7043 12125 | ![]() |
Гайка шестигранная со стопорным нейлоновым кольцом и фланцем | |
| DIN 7337 A | ISO 15983 | ![]() |
Заклепка вытяжная AlSt алюминиевая со стальным стержнем | |
| DIN 7343 | ISO 8750 | ![]() |
Штифт цилиндрический спиральный с двумя фасками трубчатый усиленный | |
| DIN 7346 | ISO 13337 | ![]() |
Штифт пружинный цилиндрический с прорезью | |
| DIN 7349 | ![]() |
Шайба плоская утолщенная увеличенная усиленная для болтов с тяж пруж штифтами | ||
| DIN 7500 С | ISO 7045 | ![]() |
Винт резьбовыдавливающий с полукруглой головкой крестообразным шлицем и полной резьбой | |
| DIN 7500 Е | ![]() |
Винт резьбовыдавливающий с цилиндрической головкой внутренним шестигранником и полной резьбой | ||
| DIN 7500 М | ![]() |
Винт резьбовыдавливающий с потайной головкой крестообразным шлицем и полной резьбой | ||
| DIN 7500 D | ![]() |
Винт резьбовыдавливающий с шестигранной головкой и полной резьбой | ||
| DIN 7504 K | ![]() |
Саморез по металлу с шестигранной головкой прессшайбой и сверлом | ||
| DIN 7504 M | ![]() |
Саморез мет с полуголовкой сверлом и крестообразным шлицем | ||
| DIN 7504 O | ![]() |
Саморез по металлу с потайной головкой сверлом и крестообразным шлицем | ||
| DIN 7967 | ![]() |
Контргайка стопорная самоконтрящаяся пружинная | ||
| DIN 7968 | ![]() |
Болт с гайкой прецизионный | ||
| DIN 7969 | ![]() |
Винт с потайной головкой со шлицем и с шестигранной гайкой | ||
| DIN 7971 | ISO 1481 | ![]() |
Саморез по металлу острый с цилиндрической головкой полной резьбой и прямым шлицем | |
| DIN 7972 | ISO 1482 | ![]() |
Саморез по металлу острый с потайной головкой полной резьбой и прямым шлицем | |
| DIN 7973 | ISO 1483 | ![]() |
Саморез по металлу острый с полупотайной головкой полной резьбой и прямым шлицем | |
| DIN 7976 | ISO 1479 | ![]() |
Саморез по металлу острый с шестигранной головкой для тонких металлических листов | |
| DIN 7980 | ![]() |
Шайба пружиннаяГровер для винтов с цилиндрической головкой | ||
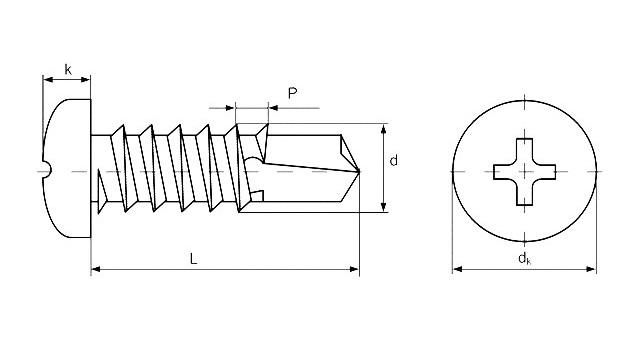
| DIN 7981 | ISO 7049 | ГОСТ 11650 | ![]() |
Саморез по металлу острый с полукруглой головой крестообразным шлицем и полной резьбой |
| DIN 7981 TX | ISO 14585 | ![]() |
Винт самонарезающий с полукруглой головкой шлиц TORX | |
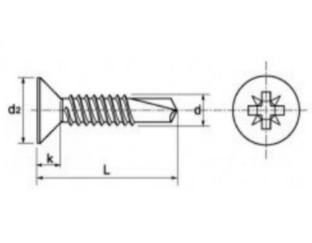
| DIN 7982 | ISO 7050 | ГОСТ 11652 | ![]() |
Саморез по металлу острый с потайной гол кр шлицем и полной рез |
| DIN 7982 TX | ISO 14586 | ![]() |
Винт самонарезающий с потайной головкой шлиц TORX | |
| DIN 7983 | ISO 7051 | ГОСТ 11651 | ![]() |
Саморез по металлу с полупотайной головкой и кр шлицем |
| DIN 7984 | ![]() |
Винт с цилиндрической низкой головкой и внутренним шестигранником под ключ | ||
| DIN 7985 | ISO 7045 | ![]() |
Винт с полукруглой головкой крестообразным шлицем и полной резьбой | |
| DIN 7991 | ISO 10642 | ![]() |
Винт с потайной головкой и внутренним шестигранником под ключ | |
| DIN 7993 | ![]() |
Кольцо стопорное пружинное из круглой проволоки | ||
| DIN 7997 | ![]() |
Саморез шуруп по дереву с потайной головкой крестообразным шлицем и неполной резьбой | ||
| DIN 9021 | ISO 7093 | ГОСТ 6958 | ![]() |
Шайба плоская усиленная увеличенная кузовная |
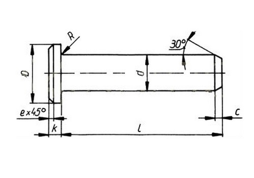
| DIN 580 | ISO 3266 | ГОСТ 4751 | ![]() |
Болт Рым болт кованный с буртиком и канавкой |
| DIN 582 | ![]() |
Рым гайка кованная | ||
| DIN 741 | ![]() |
Зажим Слоник для троса | ||
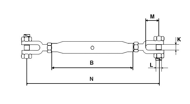
| DIN 1478 | ![]() |
Талреп Тип А вилкавилка | ||
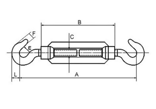
| DIN 1480 SPRH | ГОСТ 9690 | ![]() |
Талреп Тип А СО крюккольцо | |
| DIN 1480 SPRR | ГОСТ 9690 | ![]() |
Талреп Тип В OО кольцокольцо | |
| DIN 1480 SPHH | ГОСТ 9690 | ![]() |
Талреп Тип С СС крюккрюк | |
| DIN 3055 | ![]() |
Трос для растяжки не грузоподъемный средней мягкости 6х7FC | ||
| DIN 3060 | ГОСТ 3070 | ![]() |
Трос грузоподъемный 6х191612ос | |
| DIN 3570 | ![]() |
Болт Uобразный | ||
| DIN 6899 | ![]() |
Коуш для троса |












































































































































































































































































